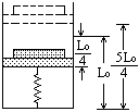
试题难度:难度:偏易 试题类型:问答题 试题内容:质量一定的理想气体被活塞封闭在圆柱形的金属气缸内,活塞与气缸底部之间用一轻弹簧相连接,如图所示.活塞与缸壁间无摩擦而且不漏气.已知,活塞重为G,截面积为S,当大气压

Pa,周围环境的温度为27℃时,气缸内气体的压强

Pa,此时弹簧恰好是原长L0.现将一个重为3G的物体轻轻地放在活塞上,使活塞缓慢下降,待稳定后活塞下降了L0/4.然后再对气体加热,使活塞上升到离气缸底5L0/4处.变化过程中弹簧始终处于弹性限度内,求:

(1)弹簧的劲度系数与活塞重(G)、弹簧原长(L0)的关系
(2)加热后气缸内气体温度升高了多少?
推荐回答
还没有选出推荐答案,请稍候访问或查看其他回答!